ТАБЛО СВЕТОВЫЕ ДЛЯ КОММУТАТОРНЫХ ЛАМП ТСКЛ

Предназначены для отображения световой буквенно-цифровой предупредительной и аварийной сигнализации в цепях управления электротехническим и технологическим оборудованием.

  • Соответствуют требованиям ТУ16-535.492-77
  • ТАБЛО СВЕТОВЫЕ ДЛЯ КОММУТАТОРНЫХ ЛАМП ТСКЛ
  • ТАБЛО СВЕТОВЫЕ ДЛЯ КОММУТАТОРНЫХ ЛАМП ТСКЛ
  • Предназначены для отображения световой буквенно-цифровой предупредительной и аварийной сигнализации в цепях управления электротехническим и технологическим оборудованием.
  • Применяются для установки коммутаторных ламп типа КМ на напряжение 6, 12, 24, 48, 60 В. На напряжение 220 В постоянного и переменного тока табло используются с последовательно включенным резистором. Транспарант с надписями на пленке или стекле устанавливается в съемную часть табло.
  • Технические характеристики:
Номинальное напряжение
       постоянного тока до 60 В
       переменного тока до 60 В
Номинальное напряжение по изоляции до 660 В
Размер светового поля, H x L 28 х 38 мм
Размер отверстия в панели под установку табло, H x L 31 х 41 мм
Масса, не более 0,07 кг
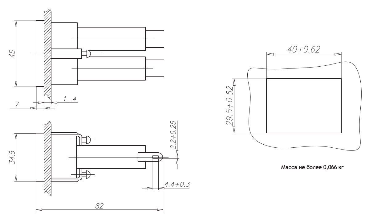
  • Габаритные, установочные, присоединительные размеры и масса табло серии «ТСКЛ»

ДРУГИЕ ПРОДУКТЫ ИЗ ЭТОЙ КАТЕГОРИИ

Перейти в каталог